Thiết bị chống sét lan truyền OTOWA đường nguồn LSK-T2720S
Dành cho: Đường nguồn
Xuất xứ: Nhật Bản
Bảo hành: 5 năm
Thông số kỹ thuật | Giá trị chi tiết |
|---|---|
| Model | LSK-T2720S |
| Loại thiết bị (Type) | Type II / Class II |
| Điện áp định mức (Un) | 230 / 400 V |
| Điện áp hoạt động liên tục tối đa giữa dây pha & dây trung tính (Uc) | 275V (50 / 60 Hz) |
| Điện áp hoạt động liên tục tối đa giữa dây trung tính & dây tiếp địa (Uc) | 255V (50 / 60 Hz) |
| Dòng xả xung sét (8/20µs) (In) | 20kA |
| Dòng xả xung sét tối đa (8/20µs) (Imax) | 40kA |
| Thời gian phản hồi giữa dây pha & dây trung tính (tA) | ≤ 25ns |
| Thời gian phản hồi giữa dây trung tính & dây tiếp địa (tA) | ≤ 100ns |
| Mức bảo vệ điện áp giữa dây pha và dây trung tính (Up) | ≤ 1.4kV |
| Mức bảo vệ điện áp giữa dây trung tính và dây tiếp địa (Up) | ≤ 1.5kV |
| Tiêu chuẩn kiểm định | EN 61643-11 / IEC 61643-11 |



Thiết bị chống sét lan truyền 3 pha OTOWA LSK-T2720S là giải pháp bảo vệ đường nguồn Type 2 cao cấp từ Nhật Bản để bảo vệ an toàn cho hệ thống điện công nghiệp, tủ phân phối và các thiết bị điện tử nhạy cảm khỏi nguy cơ cháy nổ do sét đánh.

Đặc Điểm Của OTOWA LSK-T2720S
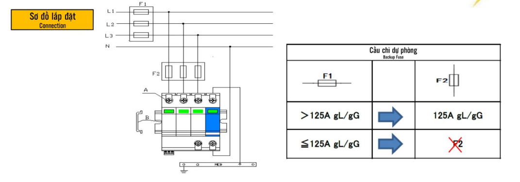
Thiết bị hoàn chỉnh được đấu dây sẵn bao gồm phần đế và các mô-đun bảo vệ dạng cắm
Khả năng xả cao nhờ sử dụng công nghệ lõi kẽm oxit chịu tải nặng / công nghệ phóng điện qua khe hở không khí.
Dễ dàng thay thế các mô-đun bảo vệ mà không cần dùng đến công cụ khác giúp tiết kiệm thời gian bảo trì.
Ứng Dụng Và Lắp Đặt Hệ Thống Chống Sét Lan Truyền 3 Pha
Thiết bị OTOWA LSK-T2720S là lựa chọn "vàng" cho:
Lắp đặt tại các tủ điện phân phối cho nhà xưởng, tòa nhà văn phòng.
Bảo vệ bộ biến tần trong hệ thống điện mặt trời áp mái 3 pha.
Bảo vệ các thiết bị nhạy cảm như thang máy, hệ thống camera giám sát và máy chủ dữ liệu.
Mua Thiết Bị Chống Sét OTOWA Chính Hãng Ở Đâu?
Tại Việt Nam, Chongset.vn tự hào là đơn vị cung cấp giải pháp chống sét lan truyền 3 pha OTOWA chính hãng, đầy đủ giấy tờ CO/CQ cho các công trình.
Cam kết: Hàng mới 100%, nhập khẩu nguyên chiếc từ Nhật Bản.
Hỗ trợ: Tư vấn sơ đồ nguyên lý lắp đặt và tính toán khoảng cách bảo vệ miễn phí.
Chính sách: Giao hàng toàn quốc, bảo hành 5 năm.
